Назначение: предназначены для оконцевания алюминиевых и медных кабельных жил, круглых и секторных, моножильных и многопроволочных.
Материал корпуса и болтов: специальный алюминиевый сплав
Покрытие наконечника:
НБV – без покрытия
НБV (гальваника) – гальваническое покрытие
Рабочее напряжение: до 10кВ
Крепление на жиле осуществляется методом завинчивания болтов со срывной головкой
Конструкция болтов имеет несколько проточек, благодаря чему срыв головки происходит вровень поверхности наконечника
Х-образное расположение болтов на корпусе наконечников
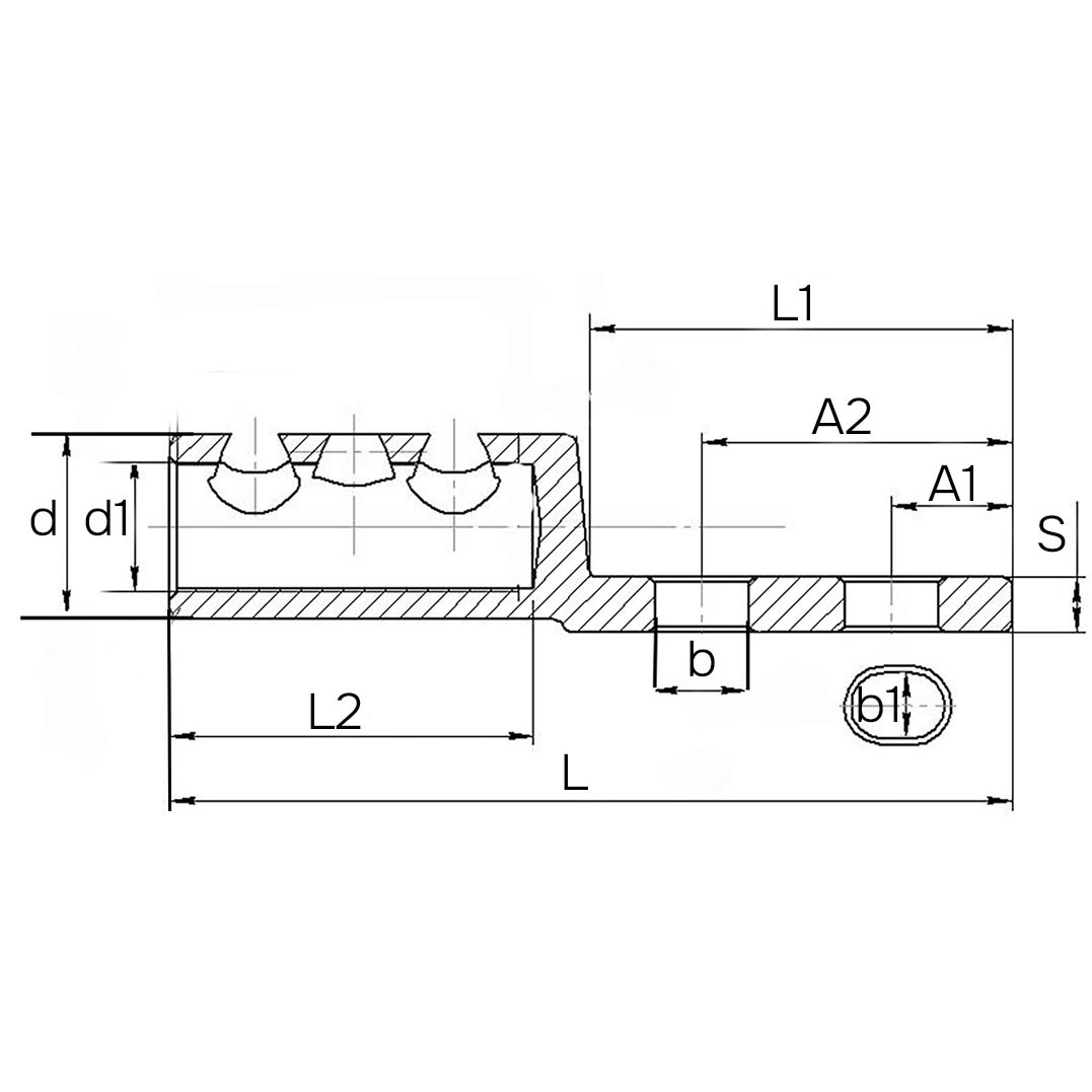
Отверстие под кабельную жилу в корпусе наконечников центрированно относительно центральной оси
Внутренняя поверхность цилиндрической части наконечников имеет зубчатый рельеф для увеличения площади и механической прочности контактного соединения
Лопатка смещена относительно центральной оси корпуса
Два крепежных отверстия в лопатке увеличивают устойчивость соединения к вибрациям
| Наименование | Сечение, мм² | Кол. болтов | Размеры, мм | |||||||||
|---|---|---|---|---|---|---|---|---|---|---|---|---|
| L | L1 | L2 | S | d | d1 | A1 | A2 | b | b1 | |||
| 3НБV-400/630 | 400, 500, 630 | 3 | 206 | 89 | 85 | 16 | 52 | 34 | 28 | 66 | 19 | 13 |










Отзывы
Отзывов пока нет.